技术文章及资料中心

ARTICLE

文章中心

产品

应用

其他

质量

技术资料 您的位置:首页--文章中心--微焦点射线源(MFX)

MFX线源的quick start

无标题文档


1. 到货清单与外观检查
2. 建议使用环境
3. 线缆连接
        3.1. 电源线连接
        3.2. interlock1连接
        3.3. interlock2连接
        3.4. RS232通信线缆连接
4. 软件使用
5. 常见问题


1. 到货清单与外观检查


请在开封后检查配件数量与外观,若有明显变形与破损建议与本司联系。
注意:到货清单可能会因为线源型号不同有所区别,详细请咨询本司工程师。在线源使用时请拆除铍窗保护盖。


L9421-02、L11831、L11831-01的到货清单图表(点击下拉列表查看):
名称

数量

图片

主机
(型号:L9421-02、L11831、L11831-01)

1

 


Interlock1接头
(型号:NANABOSHI NJC-202-PM)

1

    

              侧面                                  正面

Interlock2接头
(型号:NANABOSHI NJC-204-PM)

1

    

              侧面                                  正面

电源接头
(型号:NANABOSHI NCS-253-P)

1

    

侧面                              正面

接地线缆

1

 


L9631的到货清单图表(点击下拉列表查看):
名称

数量

图片

主机
(型号:L9631)

1

 


Interlock1接头
(型号:NANABOSHI NJC-202-PM)

1

    

              侧面                                  正面

Interlock2接头
(型号:NANABOSHI NJC-204-PM)

1

    

              侧面                                  正面

电源接头
(型号:NANABOSHI NET-243-PF)

1

    

侧面                              正面

接地线缆

1

 


L9181-02、L9181-05的到货清单图表(点击下拉列表查看):
名称

数量

图片

主机
(型号:L9181-02、L9181-05)

1

 


Interlock1接头
(型号:NANABOSHI NJC-202-PM)

1

    

              侧面                                  正面

Interlock2接头
(型号:NANABOSHI NJC-204-PM)

1

    

              侧面                                  正面

电源接头
(型号:NANABOSHI NCS-253-P)

1

    

侧面                              正面

接地线缆

1

 


L12161-07的到货清单图表(点击下拉列表查看):
名称

数量

图片

主机
(型号:L12161-07)

1

 
L12161的控制器没有辐射防护,使用时需要放在屏蔽箱外


Interlock1接头
(型号:NANABOSHI NJC-202-PM)

1

    

    侧面                                  正面

Interlock2接头
(型号:NANABOSHI NJC-204-PM)

1

    

  侧面                                  正面

线源与控制器连接线
(根据采购不同会有5米和10米的线缆区别)

1


接地线缆

2

 
L14315-02的到货清单图表(点击下拉列表查看):
名称

数量

图片

主机
(型号:L14351-02)

1

 


Interlock1接头
(型号:NANABOSHI NJC-202-PM)

1

    

    侧面                                  正面

Interlock2接头
(型号:NANABOSHI NJC-204-PM)

1

    

  侧面                                  正面

电源接头

1

    

  侧面                                  正面

接地线缆

1

 


注意:所有型号线源都含有一份出厂检测报告与安装光盘一份。(光盘内含有电子版详细安装手册、与Hamamatsu自带使用软件)


2. 建议使用环境


由于X射线源使用时有辐射,需要在屏蔽箱内使用。


建议存放温度

建议使用环境温度

建议环境湿度

0 ℃~+50 ℃

+10 ℃~+40 ℃

20 %~85 %(不结露)


L12161线源控制器没有辐射保护措施,建议使用时放在屏蔽箱外。


L9421-02、L11831、L11831-01、L9181-02、L9181-05的接线图:

L9631接线图(点击下拉列表查看):

L12161-07接线图(点击下拉列表查看):

L14351-02接线图(点击下拉列表查看):


3. 线缆连接

3.1 电源线连接


型号:L9421-02、L11831、L11831-01、L9181-02、L9181-05
需要连接24 VDC的输入电源。
接头连接:将型号:NANABOSHI NCS-253-P的接头按图接入24 VDC电源。
(注:为了设备稳定线缆连接处请使用线鼻子)

电源线缆建议长度小于3米,粗细超过AWG16(相当于2平方线缆粗细)。


注意: ①型号:L9421-02、L11831、L11831-01时,单台线源使用100W功率的电源; ②型号:L9181-02、L9181-05时,单台线源使用120W功率的电源; ③电源的输出电压请调至范围24vdc~26.4vdc 。


型号:L9631
需要连接220 VAC的输入电源。
接头连接:将型号:NANABOSHI NCS-243-PF的接头按图接入220 VAC电源。

L9631的线源可以直接接入220 VAC的市电。
电源线缆建议长度小于3米,粗细超过AWG16(相当于2平方线缆粗细)。


注意: ①单台线源使用240 W功率的电源; ②线源的输入功率可以在110 VAC~240 VAC的范围内使用。


型号:L12161-07
需要连接220 VAC的输入电源。
可以直接使用普通电脑用电源线。


注意: ①单台线源使用180 W功率的电源;②线源的输入功率可以在110 VAC~240 VAC的范围内使用。


型号:L14351-02
需要连接48 VDC的输入电源。
接头连接:将型号:NANABOSHI NJC-243-PF的接头按图接入48 VDC电源。
(注:为了设备稳定线缆连接处请使用线鼻子)

电源线缆建议长度小于3米,粗细超过AWG16(相当于2平方线缆粗细)。


注意: ①单台线源使用240 W功率的电源; ②电源的输出电压请调至范围45.6 VDC~50.4 VDC。


注意:所有型号的线源通电后线源的风扇会运行。风扇没有运行时请检查线路,如果确认供电线路无误,请与我司联系。(L9631、L12161线源需要另外船型开关)。


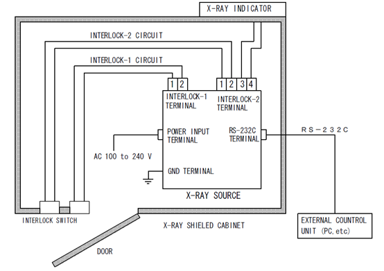
3.2 interlock1连接


Interlock1直接短路时,线源处于可以工作状态。(interlock1,2需要同时短路时可以XON,注意:实际使用时为了辐射安全的考虑,请勿将interlock1和2直接短路使用!)



电源线缆建议长度小于5米,粗细超过AWG16(相当于2平方线缆粗细)。


型号:L9421-02、L11831、L11831-01、L9631、L9181-02、 L9181-05接线图参考(点击):

参考以下接线图,同时注意线路使用的switch参数。


型号:L12161-07、L14351-02接线图参考(点击):

参考以下接线图,同时注意线路使用的switch参数。


推荐的接线方式参考(点击):




注:请根据实际情况选用适合自己设备的接线方法。

3.3 interlock2连接


Interlock2直接短路时,线源处于可以工作状态。(interlock1,2需要同时短路时可以XON,注意:实际使用时为了辐射安全的考虑,请勿将interlock1和2直接短路使用!



电源线缆建议长度小于5米,粗细超过AWG22(相当于0.32平方线缆粗细)。


型号:L9421-02、L11831、L11831-01、L9631、L9181-02、L9181-05接线图参考(点击):

参考以下接线图,同时注意线路使用的switch参数。


型号:L12161-07、L14351-02接线图参考(点击):

参考以下接线图,同时注意线路使用的switch参数。


推荐的接线方式参考(点击):




注:请根据实际情况选用适合自己设备的接线方法。

3.4 RS232通信线缆连接


RS232的接线请参考如下接线图:



注意:L12161-07线源使用时RS232线缆需要安装在右侧的CONTROL处。




4. 软件使用


         

      软件  MCS2

Hamamatsu X射线源随箱的光盘中附有使用软件。 软件安装成功后桌面会出现,如图左图标:

双击打开,出现如下软件操作界面:


第一次使用线源需要预热,开机直接电机X-Ray ON后设备会自动预热。
预热完成后warmup yet指示灯会熄灭。
预热完成后如果线源断电,8小时内再次通电,线源会进入preheat状态,持续1分钟后可以操作线源。
点击tool标签下的chart,会出现电压、电流的走势图标签。


5. 常见问题


Q1:为什么预热了很久还是没能够预热完成?


A:线源XOFF后超过8小时不开光就会需要预热。 根据不同的停机时间预热时间会不同。 


XOFF停机时间在8小时以上1个月以内

需要预热15分钟

XOFF停机时间在1个月以上3个月以内

需要预热1小时

XOFF停机时间在3个月以上

需要预热2个小时

注意:①不同型号的线源的预热时间可能会有不同;
          ②线源的电池没电后预热也需要进行2小时。


Q2:软件的Focus mode具体有什么作用?


A:有个别线源可以选择焦点模式。          



(1)大焦点的情况下基本上可以用足管电压,管电流的满量程。但是分辨率相对较差;

(2)小焦点因为限制了比较低的功率,因此可以呈现出分辨率较高的图像,但是亮度比较低; 

(3)中焦点的模式是分辨率与信噪比,都在其余两者之间,实际使用时需要参考随箱附带的光盘中的线源手册。


Q3:线源报over了怎么处理?


A:偶尔出现over状态是正常现象,点击软件的tool,选择下拉的RESET,重新使用线源,但是频率过高需要联系我司售后。


Q4:线源报error需要怎么处理?


A:在软件的tool标签下选择terminal,在小框中输入ser。根据下表查看反馈值。



Q5:怎样查询出光时间与通电时间?


A:在在软件的tool标签下选择terminal,在小框中输入STM或SXT。
STM反馈通电时间。(时间单位:小时)
SXT反馈XON时间。(时间单位:小时)


Q6:实际反馈值与设置值不符?


A:设置较大的管电压与管电流时,可能会有个别线源的反馈值会产生±1个数值的误差,此现象是由于线源内部的电路反馈产生的误差,如果反馈数值稳定,则线源正常。


Q7:线源软件打开后无法通信?


软件显示Can't open无法连接射线源:
首先观察输入的电源是否正常供电;
如果供电正常则判断线源的风扇是否转动,如果风扇不转请联系我司售后;
如果供电正常且风扇转动,判断RS232的线缆,是否为2,3脚交叉连接的交叉线缆。如果使用了直连线请更换交叉线;
如果供电正常且风扇转动且线缆为交叉线,则更换工作站尝试;
如果以上方法均无法运行,则联系我司售后。


相关资料


有关MCS2软件的下载使用


相关工程师



针对以上内容,如您有任何问题,欢迎联系我们


上一个:已是第一个

下一个: MFX二次开发相关说明与demo示例

×
回到顶部